Pentru informații ne puteți contacta telefonic sau pe WhatsApp 0772 019 951
Agromagmann

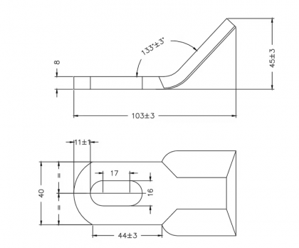
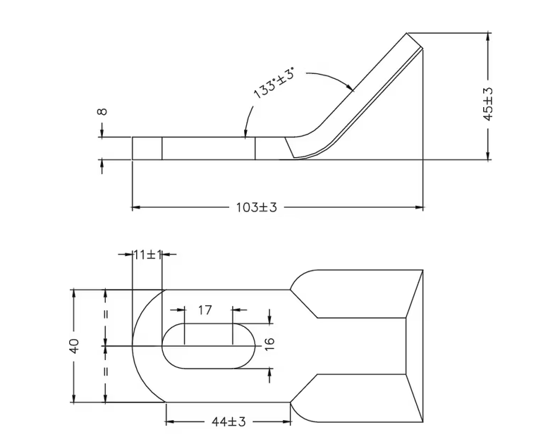
Cutit Y

Cod produs: 18063-FEI-15

Greutate: 0.25

20 lei (prețul include TVA)

Disponibilitate: La comanda

Cantitate
Pretul produselor poate fi neactualizat si poate varia.

Ai intrebări legate de acest produs? Contactează-ne acum

potrivit pentru: Ferri, Howard, Orsi, Fiedler, Cosma

Latime de lucru (mm): 43

Grosime (mm): 8

Ø-gaura (mm): 14 x 29

Latimea (mm):40

Dimensiune de asamblare (mm): 40

Lungime (mm): 105

Documente in format digital

Produse similare