Cele mai vandute produse prelucrarea solului
Jucării Bruder
Piese Tractoare
Consumabile utilaje
Piese schimb tiranti
Lubrifianți agro
Erbicidare
Piese auto
Lubrifianți
Piese utilaje de prelucrare a solului
Utilaje agricole
Balotiere
RURIS
Cositori de iarbă
Echipamente atelier
Piese combine
Rulmenți
Componente de transmisie
Componente electrice
Componente hidraulice
Sistem direcție
Piese ruris
Filtre neidentificate
Tocătoare Crengi
Geomembrana
Elemente asamblare lemn
Păduri & spații verzi
Accesorii
Zootehnie
HEAVY BLACK LIGHTS
Anvelope
Componente sașiu, parbrize
Milwaukee
HIKOKI
Ai intrebări legate de acest produs? Contactează-ne acum
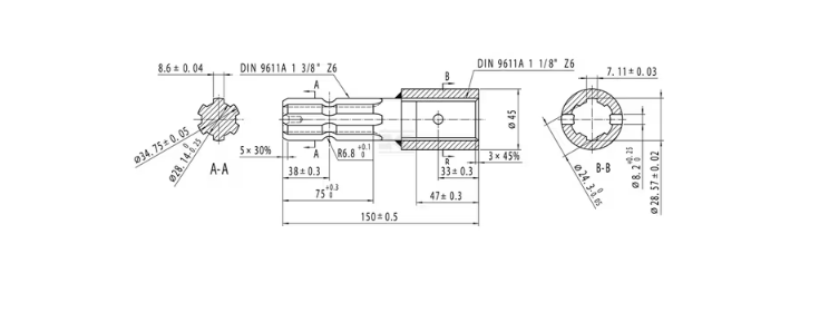
| Unitate | Bucată | |
|---|---|---|
| Marcă | Kramp | |
| D1Diametru exterior conexiune nr. 1 | 1-3/8 in | |
| Conexiune nr. 1 număr de caneluri | 6 | |
| d1Conexiunea 2 - Diametru interior | 1-1/8 in | |
| Conexiune nr. 2 număr de caneluri | 6 | |
| LLungime totală | 150 mm | |
| Putere maximă | 30 kW | |
| Diametru orificii de montare | 8,2 mm | |
| Material | Oțel S355 | |
| D2Diametru exterior | 45 mm |
Documente in format digital
Compania noastră este specializată în produse auto și agricole. Avem o gamă largă de piese de tractor potrivite pentru majoritatea producătorilor, precum și o gamă largă de piese și accesorii.
© 2026 Auto & Agro Magmann. Toate drepturile rezervate.
Webdesign by Icetech